| 产品信息 | ||||
| 型号 | PSN40-20□ | |||
| 产品图片 | ![]() | |||
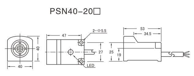
| 尺寸 | ![]() | |||
| 安装方式 | 非屏蔽式 | |||
| 型号 | 直流型 | NPN | NO | PSN40-20DN |
| NC | PSN40-20DN2 | |||
| NO+NC | PSN40-20DN3 | |||
| PNP | NO | PSN40-20DP | ||
| NC | PSN40-20DP2 | |||
| NO+NC | PSN40-20DP3 | |||
| 二线 | NO | PSN40-20DO | ||
| NC | PSN40-20DC | |||
| 交流型 | 二线 | NO | PSN40-20AO | |
| NC | PSN40-20AC | |||
| 三线 | NO+NC | |||
| 检测距离 | 20mm ± 10% | |||
| 设定距离 | 0-17mm | |||
| 滞后距离 | 检测距离的10%以下 | |||
| 检测物体 | 磁性金属(非磁性金 属时检测距离减小) | |||
| 标准检测物体 | 铁50*50*1mm | |||
| 响应频率 | DC:0.5kHz AC:25Hz | |||
| 电源电压 |
直流型:DC12-24V(6-36V)脉动(P-P)10%以下 交流型:AC110-220V(36—250V)50/60Hz | |||
| 耐电压 | AC1000V 50/60Hz 1min充电部分与外壳间 | |||
| 电压的影响 | 额定电源电压范围±15%以内、额定电源电压值时±10%检测距离以 内 | |||
| 消耗电流 | N.P型:13mA以下,D型:0.8mA以下, A型:1.7mA以下 | |||
| 控制输出 | N.P型:300mA以下,D型:200mA以下, A型:400mA以下 | |||
| 回路保护 | N.P.D型:逆连接保护、浪涌吸收、负载短路保护, A型:浪涌吸收 | |||
| 环境温、湿度 |
动作时保护时:各-30—+65℃ (不结冰、不结霜), 动作时、保护时:各35—95%RH | |||
| 温度的影响 |
温度范围-30—+65℃, +23℃时、±15%检测距离以内 温度范围-25—+60℃, +23℃时、±10%检测距离以内 | |||
| 绝缘阻抗 | 50MΩ以上(DC500兆欧表)充电部分与外壳间 | |||
| 材质 | 外壳:ABS 检 测面:ABS | |||
| 防护等级 | IP67(IEC规格) | |||