泰武电器集团有限公司

JGX-100ZA(单相整流调压模块)

产品中心

JGX-100ZA(单相整流调压模块)

产品信息
型号 JGX-100ZA(单相整流调压模块)
产品图片
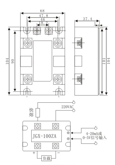
尺寸


负载电流Load Current 10A,25A,40A,60A,75A,90A,100A,120A
负载电压Load Voltage 175-265VAC
控制电压Control Voltage 0-5VDC,4-20mA
控制电流Control Current
通态压降On Voltage ≤3V
通态漏电流 Off Leakage Current ≤10mA
断态时间On-off Time ≤10ms
介质耐压Dielectric Strength 2000VAC
绝缘电阻Insulation Resistance 500MΩ/500VDC
环境温度Ambient Temperature -30℃~+75℃
安置方式:Mounting Methods 螺栓固定
工作指示The Work Instructions LED
重量Weight 450g

点击
隐藏

微信
咨询


扫一扫加我微信

电话
咨询

13868714235
客服热线