| 产品信息 | ||||||
| 型号 | E3Z-□ | |||||
| 产品图片 | ![]() | |||||
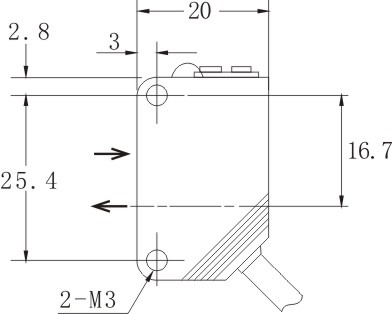
| 尺寸 |
| |||||
![]() | ||||||
![]() | ||||||
|
安装方式 |
漫反射式 | 反馈反射式 | 对射式 | |||
| 型号 | 直流型 | NPN | NO | E3Z-D61 | E3Z-R61 | E3Z-T61 |
| NC | ||||||
| NO+NC | ||||||
| PNP | NO | E3Z-D81 | E3Z-R81 | E3Z-T81 | ||
| NC | ||||||
| NO+NC | ||||||
| 二线 | NO | |||||
| NC | ||||||
| 交流型 | 二线 | NO | ||||
| NC | ||||||
| 三线 | NO+NC | |||||
| 检测范围 |
5~100mm |
4m ± 10% | 15m ± 10% | |||
| 检测目标 | 透明/不透明物体 | 不透明物体 | 不透明物体 | |||
| 检测范围调节 |
灵敏度调节器 |
灵敏度调节器 |
固定 | |||
| 响应时间 |
1ms |
1ms |
1ms | |||
| 响应频率 | DC:0.5kHz AC:25kHz | |||||
| 接通延时 | 1.5ms | |||||
| 光源 | 红外光660nm | |||||
| 电源电压 |
直流型:DC12-24V(6-36V)脉动(P-P)10%以下 交流型:AC110-220V(36—250V)50/60Hz | |||||
| 耐电压 | AC1000V 50/60Hz 1min充电部分与外壳间 | |||||
| 电压的影响 | 额定电源电压范围±15%以内、额定电源电压值时±10%检测距离以内 | |||||
| 消耗电流 | N.P型:13mA以下,D型:0.8mA以下, A型:1.7mA以下 | |||||
| 控制输出 | N.P型:300mA以下,D型:200mA以下, A型:400mA以下 | |||||
| 回路保护 | N.P.D型:逆连接保护、浪涌吸收、负载短路保护, A型:浪涌吸收 | |||||
| 环境温、湿度 |
动作时保护时:各-30—+65℃ (不结冰、不结霜), 动作时、保护时:各35—95%RH | |||||
| 温度的影响 |
温度范围-30—+65℃, +23℃时、±15%检测距离以内 温度范围-25—+60℃, +23℃时、±10%检测距离以内 | |||||
| 绝缘阻抗 | 50MΩ以上(DC500兆欧表)充电部分与外壳间 | |||||
| 材质 | 外壳:黄铜镀锡ABS 检测面(透镜):PMMA | |||||
| 防护等级 | IP67(IEC规格) | |||||